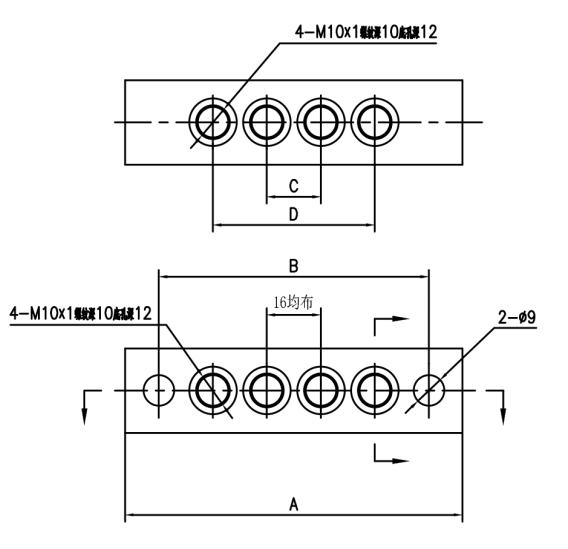
VSD Oil Distributor Block
The VSD oil distribution manifold blocks accurately distributes grease or oil from the lubrication pump to each lubrication point according to a preset ratio, ensuring uniform and reliable lubrication for all moving components. Featuring a compact design and easy installation, it can be paired with manual or electric lubrication pumps as required. The system also supports push-in fittings, compression fittings, and other accessories, allowing for a flexible and efficient lubrication pipeline layout suitable for various equipment configurations.
CN
EN
ru
fr
de
es
pt
ar
hi
id
tr
it
pl
nl



